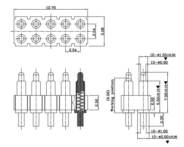
8-pinnen 2-rij connector
Het laboratorium is gebouwd volgens de systeemnorm ISO/IEC17025. Het heeft 's werelds toonaangevende volledige hetelucht-reflow-machine, zoutsproei-testmachine, constante temperatuur- en vochtigheidsmachine, thermische schok-testmachine en andere apparatuur, die alle omgevingstests kan uitvoeren, inclusief prestatietests voor productbetrouwbaarheid.

Het project omvat vele aspecten: verwerkingstechnologie, verwerkingsmethoden, productmaterialen, enz. Maar in de basis zijn het allemaal volwassen ontwerpen en verwerkingstechnieken, die we volledig kunnen ontwikkelen.